2025年9月12日至12月23日,学院8名本科生在带队老师的引领下,横跨八千公里,入驻位于英国北约克郡的约克大学(University of York),完成了为期三个月的成建制海外深度访学。
从北京到遥远的英格兰,集电学子怀揣“芯片兴国、敢为人先”的精神,在异国他乡开启了一段探索前沿科技与多元文化的求知之旅。

一、学术殿堂:沉浸式科研初体验
英国约克大学作为世界一流研究型公立大学,以其卓越的教学质量和科研实力享誉全球。在本次访学中,北航学子深入世界一流的学术氛围,切身体会到了科学研究的魅力与挑战
课堂教学初体验:不同于传统的课堂讲授,本次访学更加注重“沉浸式”与“探究式”学习。这种“沉浸式”学习在具体课程中得到了充分体现。同学们在以下几门核心课程中,不仅系统学习了学科知识,更通过实践深入体验了科研与应用的结合:

微工程原理:课程带大家初步探索了微米级设备的科学、设计与制造。赵纯教授以生动的案例讲解了微米级系统与设备在各领域的实际应用,还介绍了前沿的微机电系统(MEMS),以及讲解了缩放定律等重要的理论知识,带大家逐步进入微工程的世界。
通信系统与数字通信:课程涵盖了从经典信息论到现代无线网络设计的核心内容,让大家了解有线和无线通信系统从概念到实际的设计与方法。Paul Mitchell教授不仅深入浅出地讲授了调制解调、无线通信系统架构等硬核知识,还带领同学们复习了概率论等基础知识,课堂专业又不枯燥。
可再生能源:课程介绍了太阳能、风能、潮汐能等各种可再生能源的概念与基本原理,并讲述了核心方程、效率计算、主要设备等核心知识,还进行了实验搭建与模拟,非常实用、有趣。
除此以外,学校还邀请MIT等全球知名大学的教授来到约克,与同学进行分享交流,拓展同学的国际视野

项目实践再深耕;
除了课程学习之外,学校还为每位同学配备了专属学术导师。这些导师不仅在学术上提供深入指导,更引导学生们直接参与到具体的实践项目中,将课堂理论转化为实际应用。
在导师的带领下,同学们以小组形式或个人任务的方式,开展了一系列贴近前沿或贴近实际的课题研究:
1.自主机器人控制的通用强化学习系统设计
深度强化学习在实际部署中,往往存在平台适应性差、反馈信号难以获取、调试过程不透明等显著缺陷。该项目通过采用基于改进的近端策略优化(PPO)算法,搭建了一套开源的标准化实验平台,有效缓解了深度强化学习训练中的冷启动与数值不稳定性的问题。

在 LunarLander-v3 环境的实验验证中,该系统展现了优异的性能:奖励曲线从初始的随机状态迅速上升,在约 500 个 episode 后稳定在成功阈值以上,且 Actor 和 Critic 的损失曲线呈现出良好的收敛趋势。

2.高性能负电阻电路设计
在面向MEMS传感器的前端电路中,传统的负电阻电路存在着带宽不足的局限性。该项目提出了一款高性能负阻电路,该电路实现了-2.57 MΩ的负阻幅度、5.5 MHz的工作带宽,在100 kHz频率下相位偏移达到179.96°。

该设计采用OPA846高速运算放大器,具备充裕的带宽裕度,适用于中频段工作。同时优化了反馈补偿并进行了适用于中频段的PCB布局方案,性能提升达到50%

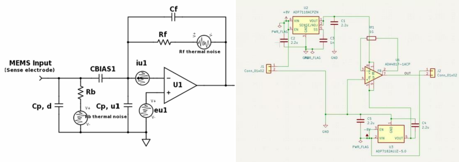
3.跨阻放大器电路设计
为满足MEMS传感器项目对微弱电流信号的精确提取需求,以及将电流转化为电压的需求,需设计一款具有极低输入噪声、高增益、高带宽特性的跨阻放大器(TIA)。该项目完成了极低输入噪声(100kHz时10的-14次方量级)TIA的电路设计与PCB版图绘制。接下去将进行制板测试,并将该TIA模块集成并服务于MEMS传感器项目。

在项目结束阶段,每位同学都向导师进行了总结展示与答辩汇报,导师们纷纷对同学的项目表示了鼓励和赞赏

微纳实验室探索:
在约克大学的微纳实验室里,北航的同学们穿上洁净服,亲手体验了芯片制造的关键流程。从旋转涂胶、光刻曝光到真空镀膜,他们在导师的指导下,完整参与了将设计图案转化为微米级结构的全过程。这段跨越理论与实践的沉浸式体验,不仅让同学们直观感受到尖端制造的精密与严谨,更在方寸晶圆之上,见证了科技如何从图纸走向现实。

二、文化行走:读懂英伦风情
读万卷书,行万里路。在紧张的学习之余,同学们的足迹遍布英伦三岛,用脚步丈量着这片土地的历史与文化。
在伦敦,同学们穿梭于国际大都市的繁华之中。仰望庄严的大本钟,漫步泰晤士河畔,在历史建筑与现代地标的交错间,感受着英国首都今日的活力。

一路向北,抵达苏格兰首府爱丁堡。这座被誉为“北方雅典”的城市,以其巍峨的城堡和深沉的色调震撼吸引了每一位学子。大家行走在皇家英里大道,聆听风笛的悠扬,在古老的石板路上,触摸着岁月沉淀下的坚毅与沧桑。

而在惠特比的行程,则让大家体验了英伦生活的闲适与现代商业的繁荣。在轻松的氛围中,同学们感受着异国海边的美好,在交流与行走中,让这次访学之旅变得更加立体和丰满。

这一路,是风景的变换,更是视野的开阔。每一次驻足与凝视,都化作了同学们心中对多元世界更深刻的理解。
三、成长感悟:行远自迩 笃行不怠
三个月的时光,是知识的积累,更是心智的蜕变。面对不同的教育模式与生活环境,同学们留下了属于自己的成长注脚:
兰小磊:“从仿真模拟到实物落地,实验课程让我真正体会到了理论与工程实践之间那种美妙的耦合。”
孔鹤霖:“在英伦的课堂里,每一次思维的碰撞都告诉我,提出一个好问题往往比解决它更迷人。”
董为轩:“全英文的学术学习不仅是语言能力的磨砺,更是对逻辑闭环与科学表达能力的极限挑战。”
阳杨:“与不同学术背景的伙伴协作攻关,让我明白了多元视角的碰撞才是解决复杂工程难题的最佳催化剂。”
唐鑫昇:“跨学科的交流打破了我的专业壁垒,让我深刻意识到,真正的创新往往隐藏在不同领域的交叉点上。”
王佐:“身处异域仰望星空,不仅看到了宇宙的浩瀚,更坚定了北航人探索未知的初心。”
冯博来:“学习不应追求唯一的标准答案,而是要引导我们自己去享受推导逻辑的缜密与思维构建的过程。”
杨开:“从被动接受知识到自主设计课题,这种研究型学习模式让我找到了科研探索中最重要的内驱力。”

四、结业与收获:胸怀家国 放眼世界
时光荏苒,三个月的访学之旅画上了圆满的句号。在庄重的结业仪式上,约克大学的导师为同学们颁发了结业证书。


此次访学项目虽已结束,但它所播下的种子必将生根发芽。带着这份宝贵的经历与国际化的视野,集电学子们将整装待发,继续怀揣“空天报国”的情怀,在未来的学习与科研道路上,仰望星空,脚踏实地,向着更广阔的未来进发!